
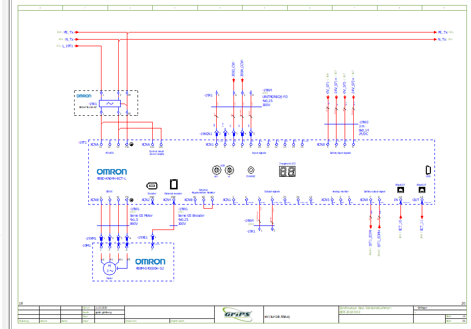
Elektro Planung
GriPS plant und konzipiert Anlagen für den Sondermaschinenbau. Hierzu gehört auch eine solide Elektroplanung. Um diese Aufgaben möglichst effizient und auch realitätsnah während des Angebots, der Vorplanungs- und Planungsphase zu erledigen nutzt GriPS E-Plan 8.
Wir bieten, neben der Entwicklung unserer eigenen Anlagenprojekte, auch die Dienstleistung der Planung und Elektroplan Erstellung mit EPLAN P8 an.